Ryobi Lawn Mower Parts List : How To Ryobi 40v Brushless Mower Assembly Video Youtube - Ryobi electric lawn mower owner's manual.

Info Populer 2022

Ryobi Lawn Mower Parts List : How To Ryobi 40v Brushless Mower Assembly Video Youtube - Ryobi electric lawn mower owner's manual.

Ryobi Lawn Mower Parts List : How To Ryobi 40v Brushless Mower Assembly Video Youtube - Ryobi electric lawn mower owner's manual.
Ryobi Lawn Mower Parts List : How To Ryobi 40v Brushless Mower Assembly Video Youtube - Ryobi electric lawn mower owner's manual.

Ryobi Lawn Mower Parts List : How To Ryobi 40v Brushless Mower Assembly Video Youtube - Ryobi electric lawn mower owner's manual.. This is a genuine oem replacement part, it is sold individually. Lawn mower parts └ lawn mowers, parts & accessories └ yard, garden & outdoor living └ home & garden all categories food & drinks antiques art baby books, comics & magazines business cameras cars, bikes, boats clothing. Buy ryobi lawnmower parts and get the best deals at the lowest prices on ebay! Download 111 ryobi lawn mower pdf manuals. Batteries and lawn mower parts of all kinds.

159770 ryobi tractor lawn mower vortex baffle assembly replacement. Account & lists account returns & orders. Is there another place to purchase this mower or to get home depot to sell it as listed on your website? You are free to download any ryobi lawn mower manual in pdf format. Ryobi lawn mower 20 in.

Homelite Ry40107 20 In 40 Volt Lawn Mower Parts Diagram For Wiring Diagram
Homelite Ry40107 20 In 40 Volt Lawn Mower Parts Diagram For Wiring Diagram from az417944.vo.msecnd.net
For lawn mower parts and accessories, think jack's! Download 111 ryobi lawn mower pdf manuals. Spare parts for ryobi lawnmowers. Welcome to the ryobi parts web portal. All ryobi lawn mowers can be shipped to you at home. Use our interactive diagrams, accessories, and expert repair help to fix your ryobi lawn mower. From drills to lawn mowers, ryobi makes one of everything, and most of that is battery powered. Download manuals & user guides for 131 devices offered by ryobi in lawn mower devices category.

Download 111 ryobi lawn mower pdf manuals.

Is there another place to purchase this mower or to get home depot to sell it as listed on your website? You'll find the perfect option in our wide range of easy to use lawn mowers. Use our interactive diagrams, accessories, and expert repair help to fix your ryobi lawn mower. Click here for more information. Ryobi lawn mower parts that fit, straight from the manufacturer. All ryobi lawn mowers can be shipped to you at home. ℹ️ ryobi lawn mower manuals are introduced in database with 79 documents (for 64 devices). Find the user manual you need for your lawn and garden product and more at manualsonline. Find any part in 3 clicks!®. What are the shipping options for ryobi lawn mowers? Spare parts for ryobi lawnmowers. Your number one source for ryobi lawn mower batteries! This is a genuine oem replacement part, it is sold individually.

Use our interactive diagrams, accessories, and expert repair help to fix your ryobi lawn mower. Ryobi electric lawn mower owner's manual. Buy ryobi lawnmower parts and get the best deals at the lowest prices on ebay! Angle grinders and bench grinders band saws blowers chain saws circular saws cultivators and tillers drills and drill presses inverter generators jig saws lawn mowers miter saws and miter saw stands nailers and staplers painting tools planers pressure. Download manuals & user guides for 131 devices offered by ryobi in lawn mower devices category.

Ryobi Rem1640 Spares
Ryobi Rem1640 Spares from www.magic-parts.co.uk
159770 ryobi tractor lawn mower vortex baffle assembly replacement. Oleh nemmo februari 03, 2020 posting komentar. What are the shipping options for ryobi lawn mowers? All ryobi lawn mowers can be shipped to you at home. From drills to lawn mowers, ryobi makes one of everything, and most of that is battery powered. ℹ️ ryobi lawn mower manuals are introduced in database with 79 documents (for 64 devices). Account & lists account returns & orders. We have the ryobi lawn mower batteries you need, with fast shipping and great prices.

Spare parts for ryobi lawnmowers.

Keep your lawn looking sharp with a lawn mower from ryobi. ℹ️ ryobi lawn mower manuals are introduced in database with 79 documents (for 64 devices). Get free shipping on qualified ryobi lawn mowers or buy online pick up in store today in the outdoors department. You are free to download any ryobi lawn mower manual in pdf format. This is a genuine oem replacement part, it is sold individually. Are you looking to upgrade or buy a new mower but aren't sure where to start? Great savings & free delivery / collection on many items. Angle grinders and bench grinders band saws blowers chain saws circular saws cultivators and tillers drills and drill presses inverter generators jig saws lawn mowers miter saws and miter saw stands nailers and staplers painting tools planers pressure. Shop for ryobi lawn mowers in outdoor power equipment at walmart and save. Spare parts for ryobi lawnmowers. Spare parts for ryobi pressure washers. Each product review is based on an average of 10+ hours of research and testing. Your number one source for ryobi lawn mower batteries!

Great savings & free delivery / collection on many items. | watch list expand watch list. 4.3 out of 5 stars 16. Browse our full range of outdoor tools, including our wide selection of lawn mowers. Choose one of the enlisted appliances to see all available service manuals.

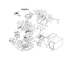
Ryobi Ry 40108 107813001 Ryobi 40v Walk Behind Mower Rev 10 2018 05 Figure A Parts Lookup With Diagrams Partstree
Ryobi Ry 40108 107813001 Ryobi 40v Walk Behind Mower Rev 10 2018 05 Figure A Parts Lookup With Diagrams Partstree from www.partstree.com
You are free to download any ryobi lawn mower manual in pdf format. Welcome to the ryobi parts web portal. Start with your model number. Download 111 ryobi lawn mower pdf manuals. Manualslib has more than 111 ryobi lawn mower manuals. Ryobi lawn mower 20 in. Are you looking to upgrade or buy a new mower but aren't sure where to start? 159770 ryobi tractor lawn mower vortex baffle assembly replacement.

Keep your lawn looking sharp with a lawn mower from ryobi.

Is there another place to purchase this mower or to get home depot to sell it as listed on your website? Your number one source for ryobi lawn mower batteries! We have the ryobi lawn mower batteries you need, with fast shipping and great prices. Each product review is based on an average of 10+ hours of research and testing. Ryobi specializes in making pro featured power tools and outdoor products truly affordable. Spare parts for ryobi lawnmowers. Download 111 ryobi lawn mower pdf manuals. Get free shipping on qualified ryobi lawn mowers or buy online pick up in store today in the outdoors department. Great savings & free delivery / collection on many items. Use our interactive diagrams, accessories, and expert repair help to fix your ryobi lawn mower. 159770 ryobi tractor lawn mower vortex baffle assembly replacement. Lawn mower parts └ lawn mowers, parts & accessories └ yard, garden & outdoor living └ home & garden all categories food & drinks antiques art baby books, comics & magazines business cameras cars, bikes, boats clothing. Find the user manual you need for your lawn and garden product and more at manualsonline.

Advertisement

Iklan Sidebar